首页
产品分类
接近传感器
光电传感器
光纤传感器
光幕传感器
超声波单双张传感器
行业应用
汽车行业
智能仓储
冶金工业
石油化工
机床行业
食品行业
技术服务
技术说明
产品检测
产品售后
资料下载
关于霍盾
公司介绍
企业文化
新闻动态
产品资讯
行业动态
公司动态
联系我们
联系我们
留言板
400-996-9138
中文
|
English
400-996-9138
中文
|
English
首页
>
产品分类
>
接近传感器
>
电感式接近传感器
>
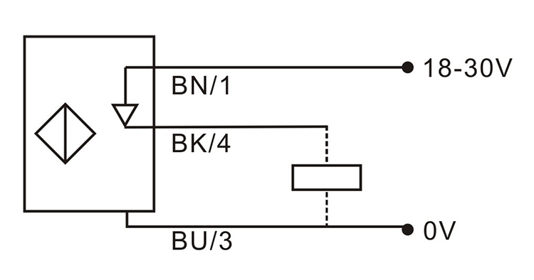
PHC-M1204F4-ES12
M12
响应时间短,重复精度及线性精度高
检测范围0.1至15mm
无接触,无磨损,输出模拟电压、电流方便选用
高重复精度及高线性,响应时间短
行业应用:
汽车行业 / 包装行业 / 智能仓储 / 冶金工业 / 石油化工 / 印刷行业 / 机床行业 / 纺织行业 / 食品行业 / 工厂自动化
主要特点
工作电压
18…30VDC
输出功能
4-20mA,<400Ω/0-10VDC,>2000Ω
空载电流
<35mA
温漂
<10%(sr)
开关迟滞
<15%(sr)
重复精度
<2.0%(sr)
线性误差
<5%(sr)
工作温度
-25℃…70℃
防护等级
IP67
短路保护
YES
反向极性保护
YES
外壳材质
黄铜镀镍
感应面材质
PBT
输出指示灯
LED Yellow
产品尺寸图
下载
连接图
下载